mainmenu

A Simplified Concentrator for SPTs

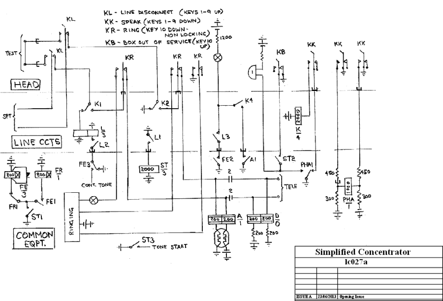
The Gloucester Warwick Railway had a need for a simple standard for a set of concentrators to be built to replace the miscellaneous equipment already in use. This diagram was produced between Mike Stephenson of the GWR and John Bathgate of the DFR.

Simplified Line Concentrator

Line Circuits


Show Concentrator Diagram as a PDF


mainmenu

Page provided by John Bathgate

This page was last updated on
24th June 2013