Lydney Junction Rack - Miscellaneous Equipment
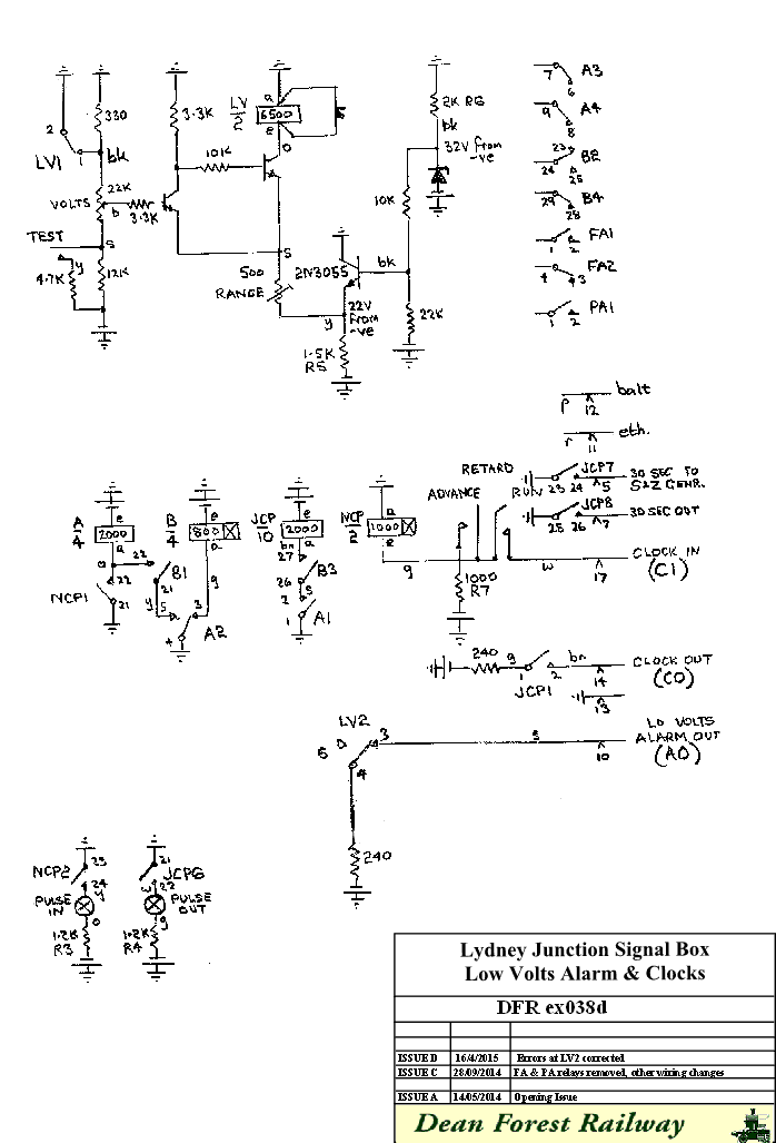
Low Voltage Alarm and Clock Pulse Reception Circuits
The transistor circuit detects when the busbar voltage goes low and operates relay LV which removes the normal battery from the alarm wire to light the red warning light in Norchard exchange.
The zener diode and the right hand transistor maintain a 22 volt condition for the emitters of the other transistors, whatever the busbar voltage.
Normally this voltage is sufficiently high to hold the left hand transistor on. This holds the centre transistor off and relay LV is released.
As the bus bar voltage drops, it will reach a value which no longer maintains the left hand transistor on. Its collector goes high and turns on the centre transistor and relay LV. This connects the battery to the alarm out wire. LV1 also reduces the voltage to the left hand transistor further so that it is held off more firmly, thus preventing relay chatter.
The bias on the emitters is increased due to the higher current flowing through the centre transistor. This means that the switch on voltage for the left hand transistor has increased and the transistor will not switch on until the volts have risen sufficiently.
The range and volts set pots are set so that the LV relay operates when the volts drop to 46 and reoperates when the volts rise to 52.
The equipment also receives 30 second battery pulses on the second wire of a pair to Norchard exchange. These pulses operate relay NCP which in turn generate a standard length pulse from relays A,B and SCP to operate clocks in the signal box. The length of the output pulse is dependent on the release lag of the B relay.
Click here for a PDF copy
MDF Strip Connections
 
Click here for a PDF copy
Common Service Block Layout

Click here for a PDF copy
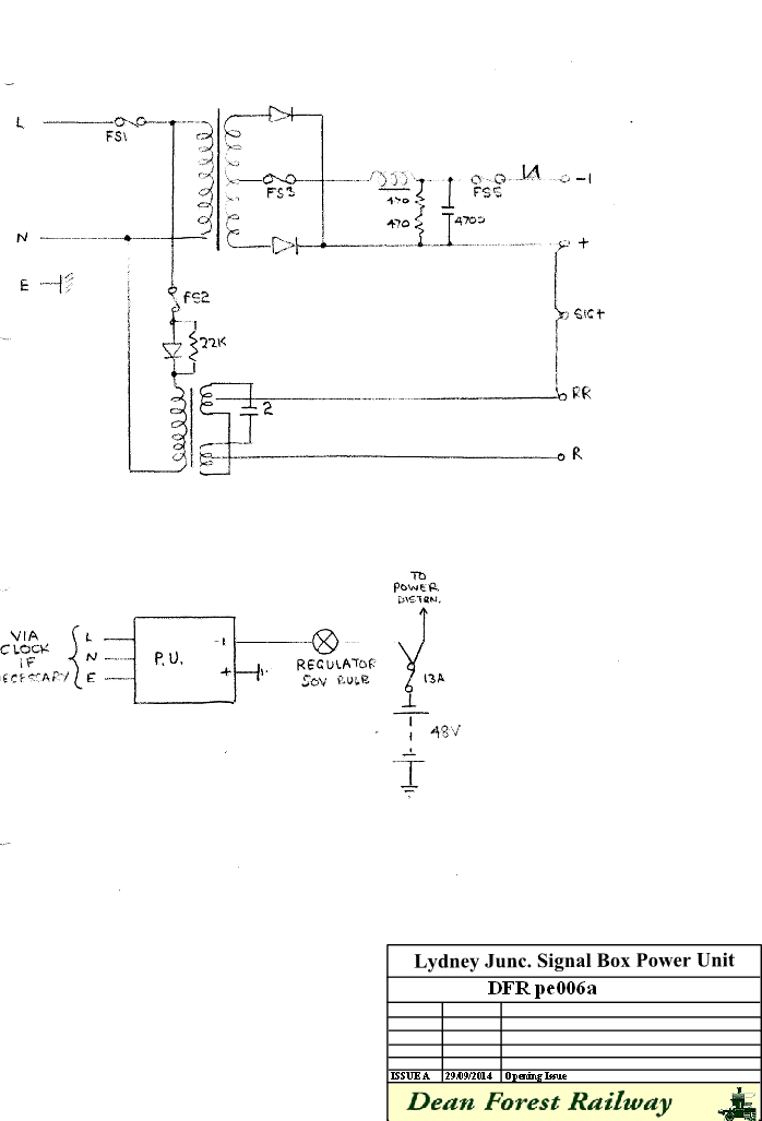
Power Supply

Click here for a PDF copy
Ring Start & Ring Distribution

Click here for a PDF copy
 |
Page provided by John Bathgate
This page was last updated on
16th April 2015 |
|