Norchard Exchange Ring Back Circuit
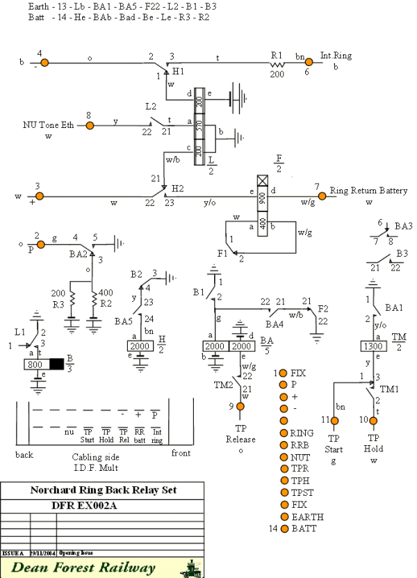
Ring Back is not usually provided in a UAX13 but the facility was felt to be too useful to omit. The circuit is based on other ring back relay sets but has been slightly modified to allow for battery testing.
Show Ring back Circuit as a PDF (71Kb 1 Page)
 |
Page provided by John Bathgate
This page was last updated on
27th June 2012 |
|