mainmenu

DFR Telecoms Diary

2018

January 2018

1 January :

Welcome to 2018

This promises to be a very different year. We have a new leader in Sam Bolingbroke and the telecoms growth at the railway will now be largely via datacoms links.

We still have three major faults on our cable network to deal with. The Town Crossing fault will be dealt with by replacing the cable in the next couple of weeks. The downed cabinet at Parkend will temporarily be replaced by a small cabinet that Bob Hawker is fettling at the moment. It will later be further replaced by a larger cabinet when the railway can obtain supplies of suitable concrete posts. The cable fault at Whitecroft, still not yet located, will be an urgent job.

Meanwhile the provision of a major data link to Parkend continues and we hope to see some Asterisk phones on the desks in the first quarter of the year.

Coming up during the year we have the replacement of the level crossing at the bypass. This will be a contract job and will provide a new 20 pair cable between St Mary's Halt and Lydney Junction signal box. This will probably spur us into completing a complete rewire of the box with a decent new DP being provided where we can get at it. No more lurking under the sink to check pairs!

We will have to decide how, where and by whom we keep our records now that we have a new leader and I aim to reduce my role in Telecoms.

Welcome aboard, Sam.

3 January :

Jean and I went to the railway to have a bit of breakfast. I checked the exchange at Norchard to find the ringer running constantly. It looks as though both outlets from the Asterisk were permanently held. I knocked out the first selectors to give the ringer a rest. The junctions went PG. I left them like that. The Asterisk system has become a bit of a nuisance rather than a help. The alarm to Lydney Junction is showing "dis". Neither outgoing junction is working, so it seems that we have no internal phone service to the Junction, Whitecroft, Parkend or via the Asterisk. I told the General Manager of our position. I also went on to check the position of the cable renewal at the Town Crossing with Jason. Eventually I was told by Lynne that the account for the cable supplier had been set up but that Roger had told her not to order cable yet. Jason and I cancelled Saturday and now wait for Roger to come up with a date for the cable purchase. A brilliant start to the year, it can only get better!

4 January : I got the keys and charger from Norchard and went to the Junction signal box to see how the exchange was. The battery volts were down to 33. I did the usual, I felt all the uniselectors and sure enough an incoming selector was stuck and quite warm. I think an intermittent fault on the cable had been driving the uniselector off normal and home continually until the volts reached the point where the uniselector stuck on. I disconnected both incoming junctions and homed the uniselector manually. The volts promptly went up into the forties and was still climbing when I left.

6 January : Peter, Roger, Sam and I met at Parkend mostly for a look at progress on the work there and a bit of a general discussion on future jobs and procedures. It looks as though we will get the cable for the Town Crossing job next week. Peter, Roger met Jean and I for lunch at Kaplan's.

Note from Roger :Good news on the Hook Flash issue that was locking up the DAHDI links from the Asterisk to the Strowger. When you make a call from Parkend 485 and then replace the handset, it takes about 3 seconds for the Linksys ATA to decide that the call has finished and to terminate the call. If you pick the handset back up before those 3 seconds have elapsed the ATA keeps the old call alive, gives you a fresh dial tone and is getting ready to do a call transfer between the original call and this new call. The new call is set up via the strowger. When 485 clears down properly, the transferred call remains connected. The Asterisk now maintains this second call permanently, thus taking both junctions to the strowger out of action.
Roger had to turn off some settings on the Linksys and now Hook Flash is disabled on the ATA and the staff cannot initiate a second call from the ATA.
One bug on the Asterisk has been found and dealt with and demonstrates the need for an experimental period before we start a general introduction of the digital phone system.

10 January : Sam, Rick, Martin and I were going to have a go at finding the DP3Y to DP3X cable fault. Both 301C testers refused to switch on. Perhaps they hate the cold. In the end we got the 301B going and went to Whitecroft to try that. Useless. We could hardly make out the cursor on the CRT screen, it's too small and if the sun shines it makes it extremely difficult. I walked the length but could not find an obvious disturbance. The only thing that might be a pointer was a bit of a signal pointing to 70 metres away where there is sound whistle sign. Could it have been moved? Sam will enquire. So we have ended up really no wiser after a day tramping the lineside. The 301Cs are now in my home waiting for me to check inside but are no better after a night in the warm. Peter and Charles carried on with the Parkend job. Martin and Rick had a bit of a go at some maintenance.

13 January : I went to the railway to see if the town crossing cable was going to be laid. The answer - no! It's still not been ordered. I had a chat with Bob Hawker trying to persuade him to find us a decent cabinet for parkend DP1E. He will have a go and he also hopes to find concrete posts at Middle Forge where S and T are to replace a cabinet with another box.

17 January : Sam and I went to the Whitecroft area to continue looking for the cable fault. Rick and Martin stayed in the exchange to test with us. After a lot of wandering up and down the line, the 301C leads us to believe that the fault is in the section DP3Y to DP3Z and about 12 m from DP3Y. We either have to dig and find the fault for confirmation or assume the 301C is right and dig further along to find the cable, insert a cabinet and lay a new cable over the faulty length. We shall be glad to see the back of this cable fault. The token is now not working so the cable is all faulty except possibly for one pair. Sam put the token out of use. Rick and Martin did some maintenance in Norchard and Peter and Charles continued work on the Parkend rewire.

19 January : Sam and Peter agreed to meet in the cafe at Norchard at 11:30, Peter had an early lunch and after meeting with Sam who had to attend a meeting arranged to meet Sam at Parkend at 2:30 PM. Peter proceeded to Parkend with a view to removing DP 3 cable from the old MDF and reconnecting it to the new MDF by way of one of the newly provided Box Conn 254's. Recovery of cable proceeded well until it came to removing it from behind the bench / chest of drawers in the exchange, it would not budge and was stuck fast. Peter cleared all of the items currently on the bench with the thought of how to move the chest of drawers beneath to release the cable stuck behind. After laying on the floor the problem was found to be that the cable retaining clips were acting as a lock every time the cable was pulled. Fortunately when the cable clips were fixed some one had used cross point screws, at arms length with a 150mm cross point drill bit Peter was able to remove the offending cable clips and the cable was recovered, coiled up so as to retain spare length and terminated. Literately within minutes of Peter finishing Sam arrived and it was decided this was a good point to stop for the day.

20 January : Peter, Sam and Roger worked at Parkend today. The goal was to sort out the cable between the Exchange and the Station and to start extend the broadband internet connection from the station building to the exchange and signal box. With the aid of 3 different drills (including the 110v hammer drill) and several visits to the loft by Roger and Sam, we had the BT master socket moved, the external bell on the BT line re-cabled, the 10 pair from the exchange re-routed via the loft and some old cabling stripped out.
We did some data network trials using the the equipment we had handy. Some IP over Twisted Pair adapters gave us a 3 Mbps connection. This is plenty for VoIP data for the Asterisk PBX. The Patton CopperLink adapters we used are one of their old models. Newer models give much higher throughput. The IP over Mains gave us 25 Mbps between the Station and the Exchange and 37 Mbps between the Station and the Signal Box. This was really good and it worked well with the 3 phase power as the Neutral is common to all sites. We used TP Link PA-411 adapters and just plugged them into the nearest mains socket. When the warmer weather arrives we'll have the full 100 Mbps when the duct grade ethernet cables go in.But for now the we have enough for the next stage of the VoIP trials.

24 January : As the day was continually rainy, there was no chance of working on our cable network problems. Consequently we all had quite a good and productive day. Rick and Martin cleared a long standing fault on a final at Norchard. In the end it was silver migration between U9 and 11 preventing the selector from releasing. They are fitting another tubular heater to that rack as all the migration faults have been on that equipment. Peter, Sam and Charles worked on the Parkend recabling job. It's approaching completion. I made a start on simplifying the Parkend ringer control arrangements but could not finish phase 1 as I was unable to obtain access to the back of the rack due to the large amount of gear hanging around in the exchange. First job will be to start on clearance of the stores in the exchange. Roger P says that the town crossing cable will be here in a fortnight.

26 January : Peter and Sam surveyed the state of telecoms along the line and upcoming projects. This included the new MDF at Lydney Junction, as well as having a quick look at Whitecroft (which needs documenting properly).

27 January : Peter and Sam ran in most of the cables into the signal box, with the concentrator rack-head cable, cables to telephones along the back wall and cables to the S&T racking. A little more work is needed for this before they are all terminated. Steve Harris then constructed some "Heritage" wooden trunking around where they rise out of the floor in the signal box. Peter and Sam then went to Caerphilly to collect an eBay purchase described as 130 sip phones, as a job lot (which turned out to be 170!), before depositing them into the telecoms office to await sorting. A quick sift through revealed several types, and a number of them were sorted into a box, which was delivered to Roger for testing/evaluation.

28 January : Peter and Sam met about 09.30 to start sifting through the new SIP telephones, cleaning and testing them before they were boxed up ready for storage. Peter left to do other things, and Sam was joined by Jane Bambridge, who had come in to help. By the end of the day, all 170 phones were cleaned, boxed and two thirds of them were put away in the attic of the shop office.

31 January : Peter, Sam, Rick, Charles and Martin met in the telecoms office, and we were joined by Pete Hyneman, ex-BT, who was interested in joining the team. Rick and Martin returned to their maintenance jobs in the Norchard exchange, while Sam, Peter, Charles and Pete went to Parkend to work on various tasks. Sam showed Pete around the site, to look at what wiring needed completing. On arrival, Peter joined us in the exchange, while Charles went to complete the earthing in DP3.
Peter, Pete and Sam then set about looking at the reported fault in the BT line, which did not appear to be present any more. They then set about looking at why the ringer was being held on, even though there were no junctions or people on site. After working out which line was open, they pulled the fuses out for it, however, this did not release the linefinder. They then went walking to survey DP1, before looking at the jumpering on the new MDF for the BT lines.
After breaking for lunch Rick came to look at the fault with the exchange, and managed to put it right by cleaning some solder splashes and moving wires around, but not actually doing anything to it. Most perplexing! He then returned to Norchard to continue with the strowger maintenance with Martin, while Charles changed a plug face in the office at Norchard. Sam, Pete and Peter then proceeded to terminate the exchange end of the cable to DP1, and clean out the tag blocks.

February 2018

4 February : Sam, Peter, Roger, myself and Alan met in the cafe. Alan is a possible new recruit, ex BT but radio trained rather than telephones. He joined us for the morning to get an idea of our work. We all went off to Parkend. Sam and Roger spent the day sorting out the programming side of the Asterisk with the SIP phones we have obtained. Peter did several small jobs at Parkend towards the rewiring job. I completed the work changing over to the new ringer control relays. I installed the new clock/NU Spare Levels relay set and got it wired in and tested. It worked. I also recovered the relay strip of the old ringer control though the wiring has to come out later. We had lunch at Kaplan's.

7 February : Sam and Charles reorganised the E side pairs at Parkend DP1 with Peter in the exchange. I walked the line to check on the plastic bag DP1E, it seems OK for now. I also got three temporary floodlights fitted to enable us to work on the Parkend North exchange. Ray had a go at a puzzling fault on a Parkend linefinder. He has got so far in determining where the intermittent fault is but it still needs further investigation. Rick and Martin changed the ringer in Norchard. The spare works OK but doesn't sound as good as the regular ringer. This now needs new brushes, which we should have somewhere.

Unloading the digger at Whitecroft

10 February : A miserable day with rain on and off. Jason and I started at Whitecroft. Jason got the spare cable from his container and pulled it down to DP3Y. We laid it out and determined where the new DP3YA would be. Adam Williams and Keith unloaded the digger from the works train and dug the new trench.

Whitecroft replacement cableWhitecroft replacement cable

It was a deep trench.

Meanwhile Jason and I went to the Town crossing to survey the job. The two DPs are tidy and the changeover job will be straightforward. The route for the cable needs Jason to clear some spare rail out of the way. He is also considering removing unused telephone poles along the route. He hopes to start this part of the work during next week. I finished at lunch, but expect the cable termination work at Whitecroft to be completed over the next week. The steel post is on site marking the end of the cable and the cabinet has been completed ready for installation.

14 February : Rainy, cold and a chill wind. We met in the cafe as we can hardly get into our office at the moment with stores all over the place. Ray and Martin went off to spend their day at Parkend trying to locate a fault on a first selector. In the end it seems to be silver migration again. This will be the first instance of this at Parkend. The selector is now working well but we will keep an eye on it.

DP3YADP3YA

Sam, Charles and I spent our day getting the cabinet for the new DP3YA mounted ready for terminating. A metal bar would not make a steady enough base. In the end we had to buy a wooden post, fashion the end, dig a hole, plant it and backfill with stone and earth pounded with a 10lb sledge for compaction. It may be the old fashioned way but it seems to be working. We also found several pinholes in the faulty length over a metre or so of cable. Goodness knows what was buried next to the cable to do that. But good to actually find the fault at last.

17 February : Sam, Roger and I worked on terminating the replacement cable between DP3Y and DP3Z. We got everything terminated. Sam and I had a disagreement about what constitutes pairs in the railway colour coded cable we used, and so we have ended up with split pairs in one or other of the cables each side of the new DP3YA. A first check of the circuits between Norchard and Parkend showed them all to be disconnected somewhere. Sam and Roger wandered off up the line having an initial look to see if things had gone wrong at the damaged DP1E or if the recent permanent way work at Parkend has caused further problems. I await their report.

21 February :

Rick and Martin spent the day on strowger maintenance. Peter, Ray and our new man, Alan, spent the day at Parkend.

Trench for new Town Crossing cableTrench for new Town Crossing cableTrench for new Town Crossing cable

Sam, Charles and I walked the route between the "tin can joint" near DP3F to the Town crossing to inspect the cabinets and see progress on the trenching. It's coming along nice and deep.

Ding, ding, ding went the trolley

After lunch we chased the token circuit from Norchard going north, finding corrosion in DP3S, DP3T and DP3W. By the time we had made new but temporary connections we had the circuit through. We made excellent time by using the motorised personnel carrier. In the end pressing the button in the token machine produced a deflection on the galvo. S&T need to confirm the circuit. However at the end of the day only one junction circuit worked so that will be the next job.

24 February :

Cabling into the trench

Peter, Sam and I went to Parkend with a view to sorting out the Parkend junction faults. We found a "dis" jumper on the new MDF and it took a couple of visits to Whitecroft and a walk down to DP1 before we had the four junctions available at DP3Z at Whitecroft. This leaves the circuits to be chased to Norchard, they may of course be through if we are very lucky. (Note that a subsequent check from the Norchard MDF showed only one of the circuits through, the level 5 outgoing circuit from Parkend which could be put back into service). Mean while the trench at the town crossing is finished and the cable is being installed. It was long enough to reach back beyond DP3G, allowing us to recover two cabinets at DP3GA and DP3GB and bypass the broken drain pipe DP3GC.

Peter and Sam started terminating cables on the Parkend North Krone frame. They terminated all of the operating floor cables, and the cables to the signalling rack.

28 February : Peter M and Charles worked on Parkend North, working on terminations on the frame, and a few small jobs. Rick and Martin worked in the exchange at Norchard, continuing their maintenance overhaul. Sam and Pete H went to look at the faults between Whitecroft and Norchard, testing DP3Y, 3X and 3V. In the afternoon, they reterminated several joints in DP3S, hoping that would clear the fault, which it did not.

March 2018

7 March : Peter M and Charles returned to Parkend to work on the new MDF. Rick, Ray and Martin repaired the Signal Post Telephone at Middle Forge, this turned out to be a simple case of the screw terminal block having come undone. They then went around testing and checking all of the other SPTs. They found signal 13 to have a faulty ring. Sam and Allen, with John's testing expertise helping in the Exchange, went to investigate the faults between Parkend and Whitecroft. This again started in DP3S, where we discovered that the cable between DP3S and DP3A had been terminated wrongly when installed some time ago! We were then able to reconnect a Norchard outgoing junction, so that calls can now be made across it to Parkend!
After Lunch, Rick and Ray went to Parkend to look into the Parkend outgoing junction. This wasn't successful, because the records aren't yet printed! Peter and Charles made themselves busy at Norchard on small jobs, and Sam, Allen and Martin went to continue testing SPTs, this time at Lydney Junction. Again, we discovered that one of the rings was faulty.

10 March : At Parkend Exchange Peter and Roger spent the day installing CAT5 cabling and terminating it in the data cabinet. This gave us 4 network sockets on the bench for testing SIP Phones and ATAs. We installed a PoE switch and rack shelf and powered up the data extenders ready for the Parkend Asterisk server. Rick was lineside testing cabling from Parkend to Whitecroft.

14 March : We met as normal in the cafe. Tea was noticeably shorter than usual, and people were keen to get out and working (wow!). Rick and Martin went fault hunting on the Parkend-Norchard Junctions, with Peter M in the exchange. Sam, Allen, Pete H and Charles went south to sort out the newly laid cable. Pete and Charles went to Lydney town and started terminating the south end of the cable, while Sam and Allen went to Goatfield to work on the north end. By lunchtime, we almost had both ends of the new cable stripped and ready to be terminated in the new cabinet. After lunch, Rick and Martin went off fault tracing again, and then onwards to Parkend with Peter M. Peter and Allen went to work on terminating the new cable in the new cabinet, while Sam and Charles went to find a suitable piece of the old 50pr to make into a temporary tie cable to the new one. By the end of the day we had both the new and the tie pair terminated, with only a few minor issues, which Pete H was kind enough to come and fix the next day. Rick, Martin and Peter managed to get a junction in each direction to Parkend working.

17 March : Sam and I decided to test our junctions, particularly to Lydney Signal Box. This required us to visit the box where we got the two outgoing junctions to Norchard working. We unplugged the incoming circuits but neither would work. We returned to Norchard to find strange conditions coming apparently from the two circuit distributor relay set. In the end I bypassed the set for the two outgoing circuits to Lydney Junction to find that there were still problems. Both junctions had been reversed in the cable work and were locking up to battery on the "wrong" leg. One junction was also "dis" on the earth leg and this fault has to remain for a later date. Rick came in to help after calling him for information. Reversing the good junction got it working. We ended with three out of four junctions back in service. We also have three out of four junctions working to Parkend, so that the only current loss of service would be for calls from Parkend to Lydney Junction. The distibutor circuit now needs to be carefully examined (perhaps for silver migration) on a non running day. Sam went to the town crossing to reconnect the phones there but could not get both to work. Again something odd for Wednesday next.

21 March : Rick and Martin went off chasing the faulty Parkend junctions. I stayed in Norchard exchange testing with them. They finished the day with all four circuits back in service. The alarm circuits from Parkend and Lydney Junction still need to be faulted. Charles went off to Lydney Junction to advise the group replacing the crossing gates about the electrical supplies available. Sam had a day exploring the loft while he, Sam, Alan and Ray got the cables in to the new PA speaker positions. We ended the day with something quite positively completed.

group lunch

23 March : The Telecoms Group held a lunch at the Forest of Dean College. Rather good.

24 March : Peter, Roger and Sam held a meeting on the train about data and Roger showed us some examples of what work he has been doing. This was followed by an early lunch. Peter then went to survey the MDF, while Roger and Sam had a quick look at the raspberry pi asterisk. Roger and Sam then went down to Lydney Junction to look at the drum of fibre there. We found it is loose tubed 32 core fibre, and about 200m. Could be interesting to use it for a test! We returned to Norchard and helped Peter identify all of the cables terminated on the frame. This was followed by some work on the emergency phone.

28 March : I spent the morning at Lydney junction sorting out the alarm/clock circuits. Eventually they worked and I got NU back on 624. Peter and Alan went to parkend to work on the data sockets. After lunch I went to Parkend with Peter to check on what I can do next week when I hope to start on the installation of Parkend North exchange. Rick and Martin chased the Parkend alarm/clock circuit and eventually got it as far as leaving DP3S. Sam and Charles got the Town station phone working again and got stores packed away in the loft.

28 March : Sam, Roger and Peter had a day in the office trying out various data equipment and fibre optic patch leads.

April 2018

4 April : We had a large group to start the day with tea and cakes in the cafe. Rick and Martin went to do maintenance work on Norchard exchange. Paul and I went to Parkend and started on the job of bringing Parkend North into service. By the end of the day the equipment was functioning and the cables to the MDF tied in and stripped ready for terminating on the exchange rack. Peter, Sam and Pete worked on various jobs around Parkend. Charles went off to be a gatekeeper at the Town crossing for the day. Some of us finished the day at the Parkend Postage Stamp cafe.

7 April : Paul popped in to spend the afternoon with his head in the back of the 10+50, working out how far the restoration project had got, and identifying the next steps. Most of the hard work has already been done, it's mostly tidying left to do now. Paul left a copy of the to-do list in the back of the 10+50 in case someone else gets to it before he has a chance to. Sam and Roger were working on their data project creating a digital PABX in the Telecoms office using Asterisk on a Raspberry Pi computer. The digital PABX has 2 normal phones (via a Grandstream ATA) and 1 digital phone (from Avaya) and can make calls to (and receive from) the Strowger. I was in briefly for a cup of tea and having a look at the caboosh to see what we may need at the next THG swapmeet.

11 April : Sam and I sorted clocks in the caboosh. We may have six that could clean up nicely. We tried for lunch in the cafe but they could not accommodate us as they had a party coming in. We tried the Fountain only to get the same response. We ended up in the Royal Oak who were happy to see us but they had to go and find a chef. Eventually after a too long wait we got a set of very good lunches. I took the clocks home to do them on my bench. I cleaned the best looking two first. They came up nicely but I then found that one of them had an intermittently short circuit coil that needs to be changed. We still have a couple of clocks in the caboosh with broken cases. Hopefully I will get a coil from one of those. Martin and Paul did a bit of strowger maintenance and then went off looking for our "dis" circuits between Norchard and Parkend. Peter and Charles went to Parkend where Charles was looking to provide an extra 13 amp socket for S&T. Sam recovered two wall phones and bell from the original gateside cabinet at Whitecroft, 318 and 597. Peter and Sam, once Peter had refreshed himself in the cafe and Sam had finished serving in the shop, then found the fault preventing the emergency phone from working. They tested that the only level allowed to the phone is level 9.

14 April : Peter and I were at Parkend. Sam joined us for a coffee in the Bike Hire cafe and stayed for a while. Peter was sorting the cables going to the S and T rack and upstairs. I got the cables from the MDF terminated on the exchange rack. Rick looked in to discuss cable records with Peter.

18 April : Rick and Martin set about another attempt to trace the clock and alarm pair. They successfully proved the pair to Whitecroft, and then all the way from there to the Parkend MDF. Peter M assisted with this, alongside updating the labels on the MDF. Allan and Ray rewired 512 to run via DP17. Sam and Pete H connected the newly installed Lydney Town treadle, and tested it. Pete H and Allan had to leave after lunch, so Peter, Rick and Martin went to Parkend to attempt to trace the alarm/clock pair fault from the MDF to the relay set without success as the records of the IDF were not up to date.. Ray and Sam tested that 512 was working, spoke about digital phones and did some wipe-ups.

20 April : It was another visit by the Telecoms Group and their partners to the Forest of Dean student's lunch. This time it was a very substantial Italian meal we enjoyed.

21 April : Nice to see the STARS display at Norchard showing all green for the first time for months. Rick and I sorted out the clock circuit so that the clocks are now working at Parkend but then discovered that two junctions between Norchard and Parkend are not working. Rick checked that it was not more trouble in DP3S but then had to leave to go home, and then away on holiday. The junctions remain busied out. Sam and Pter worked on the cabling in the signal box. We all had lunch at Kaplan's and then went home.

25 April : I worked in Parkend Strowger tidying up. I recovered the fuse mounting 8064s as they have been thrown spare by Peter's work. That made access to the rest of the blocks so much easier. I tried to put the three junctions from Parkend to Parkend North through on the frame but found problems with the records. I will finish this off next time. Peter and Martin worked on the cabling to S and T in the signal box. Sam, Alan and Charles worked on fitting clocks in the Parkend buildings.

28 April : I went to try to jumper the Parkend North junctions in Parkend exchange. I did not get round to it again as we had a contact between two exchange lines. The only place they came together, we thought, was on the new MDF but the fault eventually was traced to the permanent terminations on the tie cable to the strowger. A bit difficult. Peter, Sam and Roger were looking at the signal box requirements. We went to lunch at Kaplan's. Peter, Sam and Roger went to the Junction to survey for fibre optic cable to the station building. I returned to Norchard and set about cleaning up the scrap copper to get it and a load of cable ready for the scrap yard.

May 2018

2 May : Only Sam, Martin and myself in today. Sam and Martin went off to change out the terminal block in the SPT on the west loop at the Junction. I collected up all the scrap cable and copper and went to meet them. We went to Bendall's to sell the scrap and got an excellent price for it. Copper must be high at present. After lunch Sam and Martin replaced a couple of SPTs.

5 May : I went to Parkend to jumper up the junctions to Parkend North, reinstall the spare incoming selectors and change the exchange phone from 311/390 to 321/390.

9 May : Sam, Peter, Charles, Alan and I spent the day sorting out the Parkend to Whitecroft and Norchard circuits. We ended the day with all of them working with the exception of 333 which appears to be "dis" quite close to Parkend. It's only the lineside test circuit and we may never have connected it through in the past. The two "dis" junctions worked when checked with a tele butt but showed high resistance when tested with a digital meter. We assume that a few volts will not break down any corrosion but the 50 volts, and particularly any back EMFs from the A relays, will hack their way through corrosion. So the faults are gone and cannot be traced at present while the sun shines on the joints. We still have a "dis" junction going south to Lydney Signal Box.

12 May : Roger, Peter and Sam spent the day at Parkend. Peter and Sam connected in the cable from Parkend to Parkend North. Roger worked on the Asterisk digital PBX and set up 2 Avaya digital SIP phones and 2 analogue phones with a Grandstream ATA linked to a local Raspberry Pi running the Asterisk Server software. Calling between phones and calling to and from Norchard was all working, including calling through to Strowger numbers. Then gremlins struck and calls from Parkend Asterisk to Norchard stopped working (but Norchard to Parkend Asterisk calls still worked). It will be looked at next week.
we made a test call from Whitecroft back up the link to Parkend where the Grandstream ATA was. Audio was nice and clear. We only had a test butt so we could not test ringing but the call quality was fine.

15 May : Sam and Rick went to the Festiniog Railway to pick up some telecoms equipment. They came away with :

Perhaps a hundred or so 700 series phones, many in original wrapping and boxes. A few DTMF/push button types
Twenty plus 300 series phones
A couple of 200 series phones
Ten clocks (the top one was a 96A, so pulse working)
Fifteen or so SPTs
Five power supplies
Many boxes of contact cleaner.
Six or seven complete strowger selector units
Some brand new tag blocks
Boxes of strowger meters
Some fuses and other minor bits
boxes of spare handsets
And lots besides.

They did well. Our push to open the signal box at Parkend and the project to provide Norchard time along the railway will be eased by these items.

19 May : Waiting notes

23 May : We spent the morning mostly on putting away the spares that came from the Festiniog Railway. The caboosh is crammed. After lunch Sam, Rick and I surveyed the cabinets between Upper Forge and Tuft's Bridge for updating and renewal work. We reached the following conclusions :
DP3U (just south of Upper Forge path) This should be a simple job of cleaning up the existing links, pulling up some spare cable and reterminating clean conductor ends directly onto the links. We can recover the fanning strip and wooden support and give the box a bit of a clean up. The main point in this cabinet seems to be that any wires must be well clear of the floor to avoid rodent damage.
DP3UA (joint just above ground north of Upper Forge path) The joint needs reattaching to its steel post. The post needs a marker pole firmly attached to it to make it more visible. Should the joint fail in the future, it might be better to replace it with a straight through joint housed in some troughing.
DP3V (small cabinet on post close to bonfire curve) Replace the cabinet as it has deteriorated considerably. Provide new backboard and fanning strip. Dig E side cable into ground over about four metres. Make crimp connections.
DP3W (Above ground joint south of Tuft's Bridge) This is a recent job and is satisfactory.
DP3X (50 metres north of Tuft's Bridge) Replace the cabinet as it is in a very poor condition. Site the new cabinet some metres closer to Tuft's Bridge. A new post will be required. Pull up cables from the undergrowth and take them to the new cabinet. Some digging may be required. Connect the pairs via a fanning strip and crimps. Make allowance for a D side cable to any new phone cabinet we may locate at Tuft's Bridge.
Back at Norchard we discussed the new cabinet requirements with Steve Harris. He expects to locate them for this coming Saturday.

30 May : It was wet all day so we looked for indoor jobs. Rick and Martin made a start on replacing some PA speakers. Sam and I saw the General Manager to discuss getting electrical work done, making small purchases and our desire to discontinue the 222 fire alarm arrangement. I went to Parkend to make a start on the concentrator cabling to the head. Complicated. Charles was involved in electrical work. Sam and Peter came to Parkend later and got the lines from Parkend North connected and tested. Nice to hear the exchange working. We still have to connect the junctions. Signwriting and labelling is also necessary. We finished the day with coffee at the Royal Oak in Whitecroft.

June 2018

2 June : Sam, Peter and I met at the Parkend Cycle Cafe for tea. Sam and Peter went surveying cabinets on the Parkend to Whitecroft section and then the cable at the St Mary's footbridge. The footbridge is to be removed shortly to go for refurbishment at Mabey's. I connected up the junctions in Parkend North. The three to Parkend worked straight away. I then went to Norchard to get the records so that I could chase the Norchard level 7 junction down the line. I met Sam and Peter there so I picked up Jean for lunch at Kaplan's. After lunch I went to Whitecroft where I checked the junction through to DP3Z. Whilst there I was told not to park in the entrance and block access to the gates. With two cars in the space I was apparently blocking access for emergency vehicles. Where to park at Whitecroft; inside the gate perhaps? That will be a bind. I went back to Parkend to check that all was well. Sam and Peter turned up. Peter was adding jumpers to the MDF. Sam and I checked the dialling into Parkend North. All the modern pulse phones worked fine, but dial phones give wrong numbers. We did not find the answer but I assume that the extra component in the routing is the auto-auto relay set in Parkend. I will have that out on our next visit and give it a good thrashing. Tea back at the cafe and away quite late at five. A busy day.

6 June : Rick, Martin and I went to Parkend, mostly to file some records and switch on Parkend North. We returned to Norchard to see if the level 7 junction appeared at DP3S. It did not, neither was it in DP3T. We went to Whitecroft to check that it was still arriving there. It was but we decided to switch the routing to a different pair to Norchard in the hope that that would be through. It was not when we returned to Norchard. We went to Upper Forge to DP3U. The circuit was not there so we are dis once more in the Upper Forge to Whitecroft section. Next week for walking through that section. Rick and Ray also had a look at the suspect auto auto relay set at Parkend. The A relay definitely adds pulses. They also found that the relay had a white label coil, so that is the main suspect. I will change the relay for a proper red label A relay. Charles spent the day providing an additional mains socket for the proposed data cabinet in the staff room. Sam and Peter also spent their day at Parkend.

12 June : Rick and Martin came in to reterminate and upgrade DP3U at Upper Forge. The work was done but subsequently we found that some circuits were not now working.
35006 at the Gloucester Warwick Railway

At the same time Jean and I were having a good time at the Gloucester Warwick Railway returning to my first love, the Southern Railway and BR (Southern Region). What a beautiful sight 35006 made.

13 June : Rick, Martin and I spent the day sorting out the circuits to Parkend and got everything back to where they should be. We found it so much better with me in the exchange and Rick and Martin at the cabinet. Charles worked on the museum token machines. Peter was not feeling too good and did not get round to any work.

16 June : I went to Parkend and did a bit more on the concentrator wiring. I think it's all connected at the concentrator end. Then I tried the outgoing junctions from Parkend only to find the second outgoing junction was dis out. I put a marking 6 volt battery across the pair to aid testing.

18 June : Rick and I went to the railway to try to sort the dis junction. I went on to Whitecroft to find that I was not getting the 6 volts battery from Parkend. Going on to Parkend I found that I was not getting the battery at DP1, yet it seemed to be leaving the MDF. I met Rick at DP3U where he had replaced the crimps with a connector. I returned to Parkend but we could not see why things were wrong. In the end, after lunch, Rick went back to DP3U to redo the crimps. He went on to Parkend but without a good result. Peter and Sam turned up and a little later so did I. We discussed the situation and I left Sam and Peter to chase the 6 volt battery out to DP1. They got it there in the end but are not sure what cleared the problem, though they did clean the connections as they went. Later Sam rang me at home via the junction. Thank goodness. We do though need a quicker way of testing junctions than trying to find them on the Krone MDF and inserting some wire leads to gain access. We should consider putting the junctions through S & T links in the exchange. That would speed things up considerably, and it would help if we obtained the correct leads for intercepting a circuit on the Krone connectors. We do of course still have DPs to bring up to standard on that route.

19 June : Sam met Pete H at Parkend, with Mike Hardy from the Pway group, who he had found at Norchard looking for something to do. They started by pulling the new cables (20pr and cat5e data cables) through into the station, suffering a couple of setbacks on the way. They resolved these issues, and managed to get them through to the DP, and terminated. They also finished pulling a new 20pr and 2x cat5 from the signal box to the goods shed, this not only provides data, but also allows more circuit growth. They then converted 322 on the platform to a modern wall phone, provided an ATA powered phone in the cabinet alongside it and tested all the phones in the station building as they had disconnected and reconnected them. They all worked. The clock was reset. Finally, they got a SIP phone working over one of the data cables to the signal box.

20 June : Rick, Martin and I had a depressing day chasing faulty pairs between DP3X and DP3Z. How often now have we worked over this part of the line? We found the pairs we were looking for but at the end of the day we had somehow disconnected both outgoing junctions from Parkend and had not cleared the original fault. We have concluded that all our problems have arrived with the use of crimps. We need to reassess our use of the little horrors as we seem to be quite unable to get all our pairs working at any one time. We are also beginning to suspect that the DP3X to DP3Y cable may have been damaged. At least the weather was kind, not too hot, not too wet, and we got to wave at the train frequently. Charles continues with electrical work at Parkend. Sam and Peter continued with the additional cabling work at Parkend.

23 June : Peter and Ian from civils/small works came in today for the afternoon. They had intended to prove some pairs for the new Whitecroft asterisk lines along with clock and signal post phone circuits. This work has now been put off for another day. Sam contacted Peter to ask that a digital line be provided in Whitecroft station. This should have been a simple job of connecting 4310 through on a new piece of temporary cable at the station as the circuit had been proved previously to the cabinet outside the station building. Alas not so, on testing the pair it was dis. The circuit had been disconnected at Parkend in the data cabinet so it should have been just a case of plugging in the right patch cable to the appropriate ATA. No such luck, the ATA configured for 4310 was now configured with 4725. Not having a laptop or passwords etc, the easiest but not right solution was to push 4725 temporarily to Whitecroft. On returning to Whitecroft it was all working with 10 minutes to spare.

25 June : Alan and Sam purchased two fenceposts and erected the first adjacent to but slightly to the Norchard end and closer to the track at DP3X. We've accidentally been given some ten foot posts. Sam plans on leaving a large amount out of the ground and then to see if he can get some high-luminosity paint, to make it more visible!

27 June : Another hot day, getting to 28C. Rick and Martin continued to work on the new PA speaker outside the back of the Severn and Wye Room. I went to Parkend and changed the two A relays in the auto auto relay set for red label types. They seem to be working OK. After lunch we had a disagreement about the best way forward in clearing the troubles on the Norchard to Whitecroft cable. This left Sam to try to clear the faults by recrimping, though we do intend to replace two cabinets, hopefully finding slack cable we can cut off to recrimp on uncorroded wires. Peter and I went back to the Parkend signal box to discuss how to get the cable to the concentrator head. Peter took the head and its shelf home to produce the necessary holes for feeding the cable. Later he e-mailed to say the holes had been done. Charles is continuing to provide additional mains sockets in the Parkend staff room, ready for the data cabinet installation.

28 June : I got called out by Sam to attend an alarm at Lydney Junction. By the time I reached Norchard to pick up the keys, the alarm had gone. It looks as though the mains to the S and T equipment was switched off for a period exceeding the six minute display delay. I went to have a look but all was functioning normally.

29 June : The Telecoms Group attended a Turkish evening at the Jasmine Cafe in Cinderford arranged by Peter. A good event worth running again. We made £95 for the Fund, also a good outcome. Thanks Peter.

Looks like a relay set but it needs wiring

30 June :

We are discussing how to provide strowger junctions over the internet. It seems to be straightforward to get the outgoing calls from Parkend to Norchard using our Asterisk system.

The relay set in the picture will accept calls from five levels at Parkend, generate the digit appropriate to the level the call was received on, and follow that with any further digits dialled into the relay set. It uses a pulsing relay and a type four uniselector to generate and count the original first digit plus a regenerator to repeat subsequent digits. This means that all digits that are dialled will be transferred to Norchard. We do this at present with one junction using a cable pair.

If I now complete the building of this relay set, we expect the output digits to be transferred to a Norchard first selector via an ATA, the internet and the Asterisk exchange. The output from the Asterisk to the Norchard strowger exchange is already in place.

We hope by this means to improve the reliability of the Parkend junctions which suffer badly at present from our poor quality cable network.

We would then need to see how to get digital junctions outgoing from Norchard to Parkend and Parkend North.

July 2018

4 July : Charles spent the day on electrics at Parkend. Rick and Martin are working their way through the spares recently obtained and are cataloguing them and storing them in Norchard exchange where possible. At the same time the aim is to tidy and make better use of the space in the exchange. I went to Parkend and spent the day reorganising the outlets on the first selector banks to enable a second multi level auto auto relay set to be fitted which will have a digital junction to Norchard. The resultant trunking diagram is shown below.

Parkend Trunking for Outgoing Digital Junction


8 July : Sam and I went to inspect the damge done by Rennes when it set off a lineside fire at Middle Forge yesterday. Our cables are definitely well singed but the armouring has saved them. We seem to have escaped serious damage as the circuits in the cable are testing OK. The Fire Brigade were called to extinguish the blaze.

Lineside Fire at Middle ForgeLineside Fire at Middle Forge

12 July : Rick and Martin got the SPT working at Middle Forge. They found that the drop wire feeding it had been cut. A clean cut for no obvious reason. Ray did some odd jobs around Norchard. Charles finished off the mains supplies to the proposed data cabinet at Parkend station. Peter and I tried to connect the existing multi level relay set at Parkend to an ATA and Norchard. It would not work. It seems that the pulse ratio of the initial digit is incorrect. After lunch I went home to see what the pulse generating relay in the set I am building would be like. Oh dear, it turns out to be 80% break and 20% make. No good at all. Changing capacitors, altering residuals etc made changes to the pulse speed but not the ratio. That appears to be built into the relay itself. Back to Atkinson's which confirmed this theory. I have therefore now to find a suitable relay. I have a 500 ohm +1500 ohm relay, as per Atkinson, labelled PS. Looks promising.

14 July : I went to Parkend to collect the multi level relay set. I brought it home to modify the pulse generating relay circuit. Worked nicely on the bench. Jean and I went to lunch at Kaplan's with Sam and Peter. They came back to see the relay set chattering away. We took the set back to Parkend and proceeded to test it with a digital junction. We had Roger watching the procedure remotely. The relay set is generating pulses too quickly, probably because I set it up at 50 volts and Parkend mostly runs closer to 55 volts. However, the ATA counts less digits than are dialled, but worryingly this also happens when the regenerator sends out a train of pulses. Yet a butt across the set output is received correctly. I need to think about this. If a modification would help I can include it in the new relay set that I am building. I can, for example, delay the sending of the first digit after seizure a little more in case the ATA is slow on the uptake. I am dialling with a zero ohm loop, so I am unlikely to be able to improve that. Peter and Sam were in trying to list work required to be done. The electrician is nearly finished in the signal box so hopefully we will be able to leave Parkend North powered up and connected to the network apart from the Norchard to Parkend North junction which awaits a cable pair.

18 July : Rick decided to find some pairs in the Norchard to Whitecroft cable. The faults were in the crimps again. He made the repair using the twisting wire and screw connector method. He now has both outgoing junctions from Norchard to Parkend working. Peter and Alan worked on more cabling for Parkend. I gave up working at Parkend when I found the electricity not available upstairs for a mains soldering iron. I went home to work on the second relay set for Parkend, returning with Jean to have lunch with Rick and Peter at the Cycle shop cafe.

25 July : Rick and Martin went off looking for problems on the Parkend junction pairs. They found some of course but as usual did not manage to get the two lost junctions back into use. Peter, Sam and Alan ran in yet more data cabling at Parkend signal box. I changed a capacitor in the multi level relay set at Parkend so that the output pulse speed was correct. Then I got on with wiring the head on the concentrator. A slow job, finding the wires, terminating them and then testing the result. I got about halfway through the job before we packed in for the day.

27 July : Rick came in today to chase Norchard to Parkend junctions. He is documenting the situation as he goes as the position appears to change every time we try to fault find on the Norchard to Whitecroft section. The position at the end of the day was not encouraging. Junctions 1 and 2 outgoing from Norchard are both dis one leg between DPs 3X and 3Y. These two junctions proved to be OK at the last investigation so something strange is happening. Junction 3 seems OK between Norchard and DP3Z but for now is still busied out and needs checking on Wednesday. Junction 4 had a broken wire in DP3Z. It is repaired and put back into service. Subsequently I dug out the testers 301 that we have, checked them and delivered them to Rick so that he can return to start locating the DP3X to DP3Y fault.

28 July : This morning, Peter and Roger came in at ten. Roger worked on programming the ATAs at Parkend. Peter mounted woodwork, new trunking and the fuse cabinet. Sam met them at Norchard for lunch, following which Sam terminated the cat5 upstairs, whilst Peter sorted out the patch panel end. Peter and Sam then spent time cleaning and tidying our area of the box. S&T have cleared away their shelving by the door, which gives us much more space!

August 2018

1 August : Sam was in for the morning attempting to tidy our office, it needs it. Rick went lineside tracking intermittent disconnections on the cable to Whitecroft. He ended the morning with all four junctions back in service, but for how long? Charles and Alan were trying to fit a data cabinet to the wall in the Parkend staff room. I fitted the new multi level relay set in Parkend exchange and tested it. Just one fault, a wire I had omitted during construction. After that the set seems to run very well. Peter and I could not test the relay set to a digital connection as the broadband was not working but I managed to check it over a strowger connection. In the evening the group, with partners, went on the fish and chip DMU trip. Very good fish and chips from the Bream chippy.

4 August : Roger and I spent the morning attempting to get the strowger exchange to send its digits correctly to the digital Asterisk system. We ended with the digits entering the Asterisk correctly but with the Asterisk not knowing what to do with them. The diary needs an update on this. Sam and Peter have just about got the digital circuits in the station building working back to the new data cabinet in the staff room. Perhaps we are close to moving elsewhere to do some telecoms work. We went to lunch at Kaplan's.

7 August : Rick and Martin got the replacement DP3X mounted and the cables changed over. It still has to be tidied and completed.

8 August : The token was out of action so Rick and Martin continued to work on the Norchard to Whitecroft cable problems. They at least got the token back working by swapping out the pair. Peter is surveying Lydney Junction for a new MDF for use with the S&T changes in conjunction with the crossing renewals. I continued on with the Parkend concentrator wiring. It's nearly finished.

11 August : Roger and Peter worked at Parkend on the Asterisk system. The Raspberry Pi was updated with a new IP address so it was not dependent on the DHCP server and 4710 brought into service (digital phone in the Signal Box). Further testing was carried out with John's relay set and re-generator that links Strowger to a Grandstream HT802 ATA and then into the Raspberry Pi. The ATA receives the pulse train correctly 90% of the time but occasionally calls to 402 are processed as calls for 492 so there is an issue still to resolve with Loop Disconnect dialling. Roger added ext4399 and ext4799 to the Pi which generates the UK Inverted Ring sound, transferred from Paul's config at Norchard. Peter tested the ATAs from the Krone blocks and updated the paper records for Parkend. We also found one junction from Asterisk in Norchard to Strowger in Norchard was down (every 2nd call completed). One to look at next week.

15 August : A good day for the Telecoms Group. Rick and Martin finally tracked down the last fault on the Norchard to Whitecroft cables and have got all the junctions in service. Peter, Charles and Alan made an excellent start on fitting the new Lydney Junction MDF and the associated cabling. I finished the wiring of the Parkend concentrator and as far as I can see it now works. It needs two to test it properly next week and it needs a new armature on one relay which is holding in after being operated. Nice for everyone to go home feeling that something positive has been accomplished.

21 August : Rick and Martin went in on a non running day to finish tidying DP3X.

22 August : Rick and Martin spent their day chasing an old fault on a Norchard to Lydney Junction junction. They narrowed it down to the Town Crossing to the Bypass Crossing section and found a corroded and broken jumper. It was too late to return to Norchard to try the junction from there. Back to it next week. Peter, Alan and I planned the work necessary at the Junction needed to change over to the new MDF. Lots of work needed on the exchange rack and lots of odd circuits around the box to be diverted. But we now have a plan. Peter and I went on to Parkend and tested the concentrator. It works. However the head is situated too high for comfortable viewing and use and will need to be resited before it will be acceptable to the Signalmen. This means removing all the head terminations, diversion of the head cable and reterminating. We need to get agreement on the final position before undertaking the work.

23 August : Peter and Alan came in to install cables between the new Lydney Junction MDF and the rack.

25 August : Sam and Peter worked at Lydney Junction running in cables for the upgrade work. Roger and I proved that an FXO module in the Asterisk was faulty and needs replacing. We also looked at the debounce algorithm in the FXS module which may be giving wrong numbers on calls from some out of limits dials. I also checked Rick and Martin's reconnected Lydney Junction junction and found it repaired but reversed. A temporary reversal on the MDF got the junction going. I intend to modify the auto auto relays sets slightly so that they are not polarity conscious.

27 August : Sam and Peter worked on the Junction signal box recabling.

29 August : Rick and Martin chased pairs on the Norchard to Lydney Junction section. Peter, Charles and Alan worked on the recabling of the Junction signal box. Sam attended a meeting regarding the bypass crossing work. I checked that the Junction exchange was working correctly after problems brought to my notice on Monday. It was OK. I then took two phones and set one to 12pps and the other to 8pps for Roger to use on sorting out the software on the Asterisk system. Reading the dial pulses into the Asterisk is a little unreliable at the moment. I also brought the Parkend records up to date. We are considering whether or not to try to build suppresion of high voltage back EMFs into the interconnection of the FXO Asterisk modules and the strowger. Back to back zeners are to be tried across the pair and I am considering inserting a simple auto auto relay set using a high speed A relay, on the assumption that a high speed relay has very low inductance and hopefully a much smaller back EMF.

September 2018

1 September : Paul came in to swap 5 high speed relays for the innards of a 300 type phone. The high speed relays are for the relay sets that will be inserted between the FXS cards and the incoming first selectors. I wish I could think of a good name for these relay sets. They will protect the FXS cards from the back EMFs generated by normal A relays. I handed over the two speed test phones to Roger who then got the PCI cards to accept speeds from at least 8pps to 12.5pps. Sam and Rick went to the bypass crossing to sort out the cabling we will need to do when the replacement work takes place. I checked the Junction exchange which was showing an alarm. The 50 volt positive supply is "dis". I will have to chase the temporary wiring through which it is presumably supposed to be working when I come in on Wednesday. I also got agreement from Steve Harris and Adrian Copley to reposition the Parkend concentrator head onto the locker top. The new FXO Asterisk modules turned up today.

5 September : Rick and Alan sorted out a fault on the SPT at post 13. Another crimp failure. They went on to look at the cabling to the SPTs at the Bypass Crossing but could not get the covers off the joint boxes. They have to return with tools and WD40 etc. Charles and I cut off all the brass from the scrap pipe that we have collected. We took the copper and scrap cable and wire to Bendall's and collected £66. Not bad for a quite small load. We had a go at disconnecting the CC relay from the positive wire in the auto auto relay sets on the wall in the hope that this would make them non polarity conscious. No luck, it seems that if the junction is reversed, not only does the CC relay hold in at the end of the call, but the D relay operates when siezed and prevents the set from repeating the dial pulses. A mod is possible but only if the sets are removed from the wall mountings. It's not worth the effort. I rejumpered the reversed circuit to the Junction and got it working properly.

8 September : Roger and I changed the suspect FXO module in the Asterisk computer. At first it did not work but in moving leads around and trying various tests it suddenly sprang into life. Maybe there is a fault somewhere in the main board, sockets, plugs etc. I feel that we should find a better home for the Asterisk, perhaps using the place occupied by the analogue oscillator and level meter. Then we could tidy up all the wiring and be able to get to the computer innards without having to heave it down from above our heads.
We wandered round Norchard dialling into the Asterisk to check that the changes made to the source code work reliably from any dial. All the test calls were successful.
In the evening Charles and Alison, Allan and Catherine, Ray and June, and Jean and I had an excellent evening on the curry and pie train. A very well organised trip, mostly thanks, I am told, to Dan Winter. Thanks.

12 September : Charles was in for the morning and was working on the earthing of the new Junction MDF. Ray and Allan got the clock system reset to the correct time. It was only about a half minute out. During their checking they realised that the spare master clock was behaving poorly. They found that it had been oiled in places that should never have had oil anywhere near them. We do not know who did this but please leave clock cleaning, oiling and adjustment to Ray. Ray may have to strip the clock to remove the oil but will need a suitable area in which to work. After lunch Ray went to Parkend for some quiet switch oiling. No chance. Stationmaster Doug complained of whistling noises on calls to Norchard. Found to be only to shop phone 523 which had an over sensitive carbon transmitter. All ok after replacing. I made a good start on the rewiring of the exchange rack at the Junction. The protectors are now in a sensible sequence apart from the concentrator outlets which still need to be reordered. I also had a look at the requirement for adding two additional line circuits to cater for the bypass crossing phones. A simple mod is not on as there is only one spare U point available on the relay set. It needs a good think! Keep the existing system comes to mind.

15 September : I found myself on my own today, so I simply sorted out the distributor relays on the level 6 junctions to Lydney Signal Box and got them rejumpered and working again. We thought there was a fault in the relay set but it could not be reproduced and so now I suspect the original problem came from the reversal on the junction holding the junction at the end of a call. I was gone within an hour.

19 September : Rick and Martin surveyed the up to date position and made a start on the DP3S job. Alan and Charles mounted the new relay set shelf on the wall in Norchard exchange, ready for the Asterisk relay sets I am building. Thanks Alan and Charles, nice job. Sam and I went to get on with the Junction signal box job and made significant progress. The circuits are now all on the correct protectors and the jumpers are in the MDF to aid the changeover. One good piece of news is that the crossing phones can stay on the existing equipment so saving a considerable modification of the concentrator line circuits.

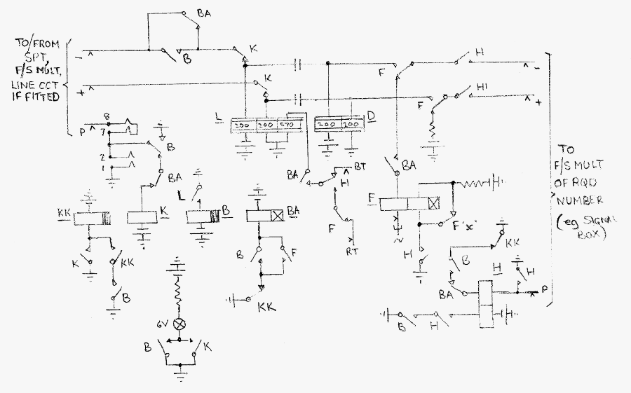
25 September :

SPT to Sig Box Phone Circuit


Notes re Directly Connecting an SPT to a Signal Box Number

Introduction


Sam set an interesting question. Could we make an SPT call the phone in the signal box, simply by lifting the handset? He was considering electronic diallers or similar, but I felt that anything electronics could do, strowger could do it as well.

Purpose

This relay set will accept a calling loop from an SPT and immediately ring a phone in the signal box, so long as the phone is free. It will also allow the phone to be rung from any phone by dialling the number allocated to it.

Incoming call to SPT

The caller will dial the SPT number and the final selector will find either an earth on the P wire or a battery. If the SPT is busy, it will find an earth and will return busy tone to the caller and take no further action. If the SPT is free, the final selector will find the K relay battery on the P wire. The final will earth the P wire to operate relay K in the relay set. Relay K contacts disconnect the L relay to prevent it from operating and also operate relay KK. K lights the in use lamp. The "bridging apparatus" ie relay L, has been removed from the - and + wires and the final can ring the SPT without interference. If the SPT answers with a loop, this relay set is unaffected.

SPT clears down first

The SPT will remove the loop from the - and + wires. The caller then clears and the final selector releases removing the earth from the P wire. Relay K releases. The in use lamp dims. Relay KK releases slowly. The relay set is now restored.

Caller clears first

When the caller clears, the final removes the earth from the P wire and the K relay releases. However as the SPT is now still looping the - and + wires, relay L operates and in turn operates relay B. Relay B removes the K relay battery from the incoming P wire and replaces it with a busying earth. Relay B also prevents relay KK from releasing. However relay B is unable to operate relay BA as KK is disconnecting the operate circuit.The failure of relay BA to operate prevents the false connection of ringing and ring tone. Relay KK also prevents the relay set from testing the P wire of the called number.

When the SPT clears, relays L and B release. Relay B reconnects the K relay free battery condition to the incoming P wire. Relay B also removes the holding path from relay KK, which releases slowly.

SPT makes a call

The SPT loops the line to operate relay L which in turn operates relay B. Relay B lights the in use lamp. Relay B disconnects relay K from the incoming P wire and replaces it with a busying earth. If a line circuit is present, the busying earth will operate the K or CO relay in the line circuit. Relay B connects relay H to the P wire of the called line. If a free battery is present, relay H operates. Relay H holds via its own contact and also earths the P wire to busy the called line. Relay B operates relay BA slowly. Relay BA connects ringing to the called number and returns ring tone to the SPT.

When the called line answers, relay F operates to the DC flowing via the called line. Relay F holds itself by removing the short circuit from its hold winding. Relay F disconnects the ring tone and ringing and extends the called line to relay D to enable the battery and earth to feed the called line.

Note that if the called line is busy when the SPT calls in, there will be no battery on the P wire to operate relay H. The testing path is only available until the slow operate of relay BA disconnects it. When relay BA operates, with relay H not operated, Busy tone is returned to the SPT.

SPT hangs up

Note that if the called line clears first, relay D will release but will not have any effect on the relay set. When the SPT clears relay L will release, thus releasing relay B. Relay B dims the in use lamp. Relay B removes the earth from the incoming P wire. This will release the K relay in any line circuit. Relay B releases relay H. Relay H releases relay F slowly. Relay F releases relay BA slowly. Relay BA reconnects the K relay to the incoming P wire thus marking the relay set as free.

Sam has said that he might like to build such a relay set. Any comments etc on the operation of the circuit would be appreciated.

26 September: I tried to find some work to do but was unsuccessful. S & T had banned us from the Junction signal box as they had contractors coming. Peter and Alan took up all the space at Parkend, though we did manage a bit of tidying. They were labeling up all the various sockets they have installed. Ray was at Norchard working on the PA speaker wiring in the exchange so that I could not get to the frame. I sorted out the change to STARS with the removal of the alarm feed from the new bypass crossing gear. Rick and Martin had been in the day before to changeover cables to the new DP3S. They continued on with the work. After lunch I decided that my best bet was to go home and continue working on my bench.

October 2018

3 October: Rick and Martin came in hoping to finish off the DP3S work and perhaps get the level 7 junction through. They didn't get that far as they had to sort out the DP3A to DP3S pairs to get them straight. The job continues. Peter, Alan and I went to the junction only to find that we are still barred from the locking room. We should have access by the weekend. I gave the direct call relay set to Sam to wire. I went home early to get back to wiring a relay set.

7 October: Sam and Peter were in looking to survey the next few phases of work at the Junction. We have been told to clear up and become very tidy as the signal box will now be visited by top brass inspecting the new crossing etc equipment.

8 October: I met Sam at the Junction signal box where we continued to install cable and wiring for the refurbishment job. We had lunch with Jean at the Parkend Post Office cafe. Peter joined us after lunch. He started to move a cable which I found cut off all the junctions etc. We had to then run to keep up by making a changeover on the equipment rack. I wasn't expecting that. Peter left at three, leaving us to test circuits. Two junctions were faulty. One was dis in the new joint box for the original ten pair from Norchard and another proved to be reversed. I temporarily took out the reversal at Norchard. I'm not quite sure what was going on but I had to reverse that junction some weeks ago when it went faulty. I will need to rerun the jumper this time as it is now too short. I am pretty sure that originally the Norchard and Lydney Junction records did not agree and this has resulted in the new cabling to the junctions needing to be tapped out rather than simply terminated in colour code order. I need to go back over it all, sort out and make the records and labelling correct. It will mean a little reterminating to do but it will be worth it to get it all straight. We have discussed relabelling all the cabinets from the Junction to the town crossing as Junction cabinets and then ensuring that any phones in that area are connected back to the Junction exchange.

10 October: I met Graham King from the West Somerset Railway and his party of six S&T men. They had come to have a look around and to see how we were heading into the future. We used the train to get around and visited the Junction and Parkend in the morning. After a lunch at Whistles cafe we had a look at the Norchard equipment and the museum. They left around three. Sam joined the tour at the Junction. I went back to Parkend to tighten the fixing bolts on a final selector uniselector that I had earlier noticed were very loose. Charles fitted the Parkend data rack with power outlets. Rick and Martin have virtually completed DP3S and they finished the day making a start on getting the pair through for the level 7 junction from Norchard to Parkend North.

13 October: Sam and Roger worked on solving the asterisk timing issues with the second digit. With some experimenting with timers, reading of coding and multiple cups of tea, we succeeded in resolving it. It turned out to be the debounce timer - a 600 millisecond pause was too much, so it is now set to 300. In the meantime, we took an old bt homehub and put it in the exchange, so we can now use laptops on the internet there (The main wifi doesn't reach!). Once that issue was resolved, we turned to the mediatrix 16 port ATAs that have recently arrived from ebay. These were relatively straightforward to get working, however do not support Loop Disconnect dialling, but for £8 each, it was a good experiment, and if we need phones that don't support LD we can use them.

17 October: Rick and Martin went chasing the new Parkend North Junction. They connected it through to Whitecroft, but found there was dial tone on it north of there! Peter went at lunch to have a look at the Jumpering on the MDF and discovered a line circuit connected to it. From memory we had re-allocated the pair to Whitecroft from the old phone in the cabinet to the junction, obviously nobody had changed the jumpering on the MDF! Sam, Peter, and "Charles & Allan'll fix it" went down to the Junction to work on the new wiring. Charles and Allan quickly and effectively constructed a wooden plinth for the data cabinet to fit over the top of the point rodding/cable entry adjacent to the new crossing equipment. Discussion was raised about the electrics - the entire telephone exchange, PA, and the light above the MDF are all driven from a single socket on the front wall of the box. There is a fused spur in the consumer unit labelled as "Telephone Exchange". Charles volunteered to look into it.

18 October: Sam and Peter met and worked on the new MDF at Lydney Junction.

20 October: Sam, Peter and Roger met at Norchard, before moving swiftly to Parkend. They set up one of the mediatrix boxes in the rack, for circuits that don't need LD dialling. This proved to have issues, and the morning was spent ironing them out - Grandstream ATAs, strowger and external calls worked perfectly with the mediatrix, however the Avaya phones wouldn't! Much toiling later, we discovered that the calls were "re-inviting", and talking directly between phones, rather than through the asterisk. We turned this off manually, but it needs some investigation as to how to disable this in the Avayas! We had a late lunch at the cafe at Hopewell colliery. After lunch, Sam had to go and help close the shop up (James was wearing his apron and serving cream teas on the train!), and Peter went to Lydney to work. Roger, after popping home, stopped off at Parkend to do some adjustment to the ATAs that we left behind, and joined Peter at the Junction.

24 October: Pretty much a full house today. We met for tea in the railway's cafe. Martin and Rick went off straightening circuits out on the Norchard to Whitecroft cable section. Ray went faulting at Parkend, finding a "dis" A relay. Sam, Charles and Alan moved a data cabinet into position at the Junction signal box. Peter was still sorting cables out around the box. I terminated the new exchange line cables onto the rack, checking lines as I went. We all had lunch in the sun at Parkend feeling that this was probably the last day of summer. We cleared up the Junction Signal Box locking room before we went home. At last the place is looking reasonably tidy.

27 October: Cold today, the first day of winter with the first frost this morning. Peter and I were in for a couple of hours. Peter put up trunking to get the BT line down to the new MDF. I sorted the four junctions and have finally got them all in the right order and labeled correctly. That still leaves some miscellaneous services to sort out, eg alarms, clock, PA rack earths etc.

28 October: Peter and Sam had an early start today, Peter rang Sam to meet in the cafe at 10:00 AM but had forgotten the clocks had changed so arrived at 9:00 AM. After a quick cuppa they moved off to the junction where they could not understand the lack of +50v supply bearing in mind the circuit was isolated when originally changed over to the new cable, Sam set about checking the wiring only to find that there was no +50v from the test points on the STS box. Later after circuit diagrams and paperwork the problem was found to be a blown fuse, new fuses ordered after trying to figure out 100 mA A/S. (Anti Surge). For the rest of the morning Peter fitted trunking in the gents again after finding the mini-trunking was very mini and would not accept three cables in any way shape or form. After an excellent lunch Sam started laying in data cables to the exchange along with the proposed new router cable. Peter meanwhile provided two new cables to the bottom of the new S&T BC 254 connection box. This will make end to end testing much easier. The cables having being run in and terminated on the LJU 4/2A, Peter started fixing the cables back to the new MDF, this will need finishing due to a shortage of tie wraps. Meanwhile Sam re enacted his own version of Ray's "watch that cable" and took up macrami with the data cables. Finished the day with all cables run ready to terminate at a later date, hopefully Wednesday for the voice cables which will then leave labeling and that will complete the signal box ICD.

31 October: Rick and Martin continued work on the records for the line plant going to Whitecroft. Alan and Charles surveyed the work needed to fit a wi-fi unit on the south end of the main building. I tried to get the level 7 junction working between Norchard and Parkend North. The circuit was OK from the frame at Norchard to the final at Parkend North but when I tried to access it via an auto auto relay set, there was a very large amount of noise on the circuit. Changing the relay set, awkward as it meant rejumpering work, did not help. Currently we have no idea of what is wrong. We will try an exchange line on the junction pair at Parkend next time we are in, to eliminate the final there.
Peter asked James if the new Data cabinet, which is full height, could be fitted next to the shop counter, the answer from the Board was a definite "no". James being helpful suggested it could be fitted in the records office as it was moving. With this Peter could feel the head of steam building. He approached the General manger and spent twenty minutes or so explaining the circular route of the cabinet issue. After discussion it was left with the general manager who will advise us if it can be fitted in James stock room in the original planned position.
Peter spent time with John, Rick and Martin discussing various aspect of the Whitecroft to Parkend cabling as there are issues with a shortage of pairs from Parkend, the upshot of the conversation is that cable proving will be required as not all fifty pairs are through and some bunches are muddled. Something to think about for another year!

November 2018

3 November: Roger and Peter were in. They proceeded to have look at the museum PMBX 10+50, Paul had left a list of outstanding jobs. The 300 type CCB had originally been run on a piece of jumper wire weaving its way in and around the MDF. It was felt the kiosk being very heritage should not be blessed with anything modern and out of place so the piece of jumper routed though the exchange wall was left in place and the kiosk left intact. A new BT78A was fitted in the exchange where the jumper wire entered, Roger then ran a nice neat 6 wire to the museum phone DP. The ICD for the museum phones is now complete and all circuits appear in the new DP 13. On completion the circuit was tested and was found to be working fine. On checking in the back of the 10+50 it was found the buzzer, although quiet, was buzzing continuously, Peter adjusted the buzzer with a "finger poking No 1", it stopped buzzing, a job for another day. All the outstanding work for the 10+50 project is now associated with the PMBX and the directly wired extensions, on completion of this work the original DP 8 wiring can be recovered.

5 November: Peter and Sam had a look at DP 17 in James office. This is a box conn 251. The number of circuits in this box is likely to increase so maybe time for a little uplift, a change to a 301 maybe. After this the next port of call was the workshop, DP2 in the general scheme of things is neat and tidy but the original change over to a Box Conn 301 meant that the incoming pair spaghetti remained. This could not be rectified at the time, so once again a little uplift is required. The Main Overlay Point originally used for BT lines is now pretty much redundant with only 3 working circuits, Sam and John had a discussion and decided that it could be recovered. This will mean that the Overlay Point in the Admin office can now be shifted to the MDF and become a DP connected to the new 340 Pr D vert. Basically ICD work at other locations is nearly finished. Peter is now away for a month so time allowing, he will sit and plan a maintenance uplift for the Norchard ICD. We will hopefully recover some of the old non standard wiring and will add cash to the pot to buy some new external cable.

7 November: Just four of us in this morning. Rick and Martin started on providing the cabling and power to the new relay set shelf. Required urgently are the two relay sets that will provide minimal back emfs to the two digital circuits incoming from the Asterisk and the auto auto relay set with transformer bridge which I expect to remove the noise on the circuit to Parkend North. Charles and I went to the Junction signal box so that I could provide updated diagrams and line plant records. Charles drilled holes in the new MDF cabinet in readiness for earth connections to be made later. I left at lunchtime. During the afternoon Martin,Charles and Rick started tidying Norchard Exchange and while moving things about found the dongle thing for the demo video display - they refitted it and it is now working again. They also found a replacement tele cord for museum phone 877 - now changed and working.

14 November: Just four of us in - Rick Ray Charles and Alan. Tea and cakes in our room (just like old times) although if there were more than four of us it could be difficult. Charles and Alan continued the work to mount a wi-fi unit on the end of the main building which meant that Charles spent most of the morning crawling around the loft. Ray and Rick went to Parkend to change the A relay coil in a group selector. When they arrived the ringing machine was running continuously which was caused by a loop calling from extn 308 at Whitecroft station masters office. After checking the records they wedged it out on the MDF for attention later. The A relay was successfully changed, tested and put back in service. After lunch Ray, Charles and Rick returned to Whitecroft and found the handset had been left off the phone next to the crossing gate. Unfortunately they also found it was intermittent NDT so back to Parkend and to busy a faulty Group Selector (not the one they had changed the A relay on). A job for when Ray is next in.

23 November: Sam, Martin, Rick, Peter and Charles were in today. We had tea in our room which meant it was quite cosy. Sam and Charles spent the morning around Norchard checking mains electric certification. Rick and Martin attempted to connect the wiring for the new relay sets, but there were already some jumpers in the way on the IDF wiring block. Fortunately Peter was recovering some obsolete jumpers at the time and realised he had installed the unwanted jumpers. Apparently they were for his point to point circuit. It was decided to move the jumpers down the block, clear of those tags required for the new work. Of course there was not enough slack in the cable to facilitate this. Eventually we managed to work some slack along the cable run. Then we realised the soldering iron was too dangerous to use, bare wires showing at the handle end. An initial search for another iron was not successful so the iron was repaired.
After lunch, Sam and Charles went to the Junction and fitted a clock. And after a bit of a tidy, another search for a soldering iron was made and two irons were found. Both kettles, the bench light and the 110 volt transformer were taken for PAT testing. A faulty dial was repaired on the 878 museum phone.

28 November: Sam and Charles started on a project to produce a spec for the upgrade of the electrical cabling around the site at Norchard. Rick and Martin continued to provide the new relay set shelf in Norchard exchange. Ray and I went to fault a first selector at Parkend but it was working when we arrived. However we decided that the rack wiring was possibly incorrect in sending the start signal between the first selectors. Two selectors try to start but one always makes the connection first. I went home to download the correct diagrams from the THG website. It looks as the only way to sort this out is to alter the wiring so that it is put back to standard. We suspect that a previous owner of the shelf has made modifications.

December 2018

2 December : Peter and Sam met at Norchard after lunch, and spent a few hours on getting the Asterisk reconnected. Junction 3 is not working - as soon as you plug something in, it loops the line, so is blocked out on the arrestors. Everything else is now working as intended.
They then worked on testing which doll's eyes work on the 10+50. Only a few of them it seems. After investigation, Sam attempted to remove the top row of dolls eyes so that they could dismantle and clean them. He used the big soldering iron with a yellow cord (it's the only one that reaches the 10+50!). When attempting to use it for the first time, it blew the fuse for the battery jacks.

5 December : Rick and Martin continued work on cabling the new relay set U points. Sam and Charles went to reterminate a cable at the Parkend Ground Frame but found that the rain was too much. They also found that a cable crossing the adjacent track had probably been damaged by the permanent way work being undertaken there. The duct is well damaged but at the moment we do not know about the state of the cable. All the junctions in and out of Parkend and the Whitecroft phones are still working which is a good sign. I went to Parkend to make a start on sorting the start wiring to the first selectors. There is a problem to be resolved with a little more time but at least I understand what's going on. We had lunch, out of the continuous rain, in the Severn and Wye room. In the evening we had the Telecoms dinner at the Ugly Duckling. Seventeen attended a very pleasant evening. The meal was of excellent quality.

12 December : Rick and Martin carried on with wiring the battery and earths to the new relay set shelf. They had borrowed the bigger soldering iron from Parkend to do the job. Alan, Charles and myself went to Parkend to attempt to reconnect the cable to DP1B at the ground frame. We were quite pleased to find that we could reconnect our telecoms services and the token by identifying the line conditions on the cable. However we were lost on the pairs S and T used to feed power down the line. There were no line conditions to pick up and so S and T will have to help out. Rick and Martin turned up to return the iron and help out but we had done all we could by then. Rick, Martin and Charles returned to Norchard, Alan went home for lunch and I sorted the start wiring on the Parkend first selectors. It is now correct and testing properly. I took two first selectors home for demodification back to standard. Charles went back to electrical survey work. Rick and Martin started on repairing our soldering irons.

19 December : Rick, Martin, Ray, Charles and Alan in today. Ray went to Parkend and did some maintenance, Charles and Alan continued with the electrical investigations and Martin and Rick spent time tidying Norchard Exchange and after lunch moved the rack with the test leads on to a more suitable position away from the asterisk equipment. The view into the exchange looks clear and tidy - it would be helpful if anyone working in in the Exchange could tidy up before they leave - perhaps a new years resolution for everyone? The back of the Exchange is a work in progress but it would be appreciated if it was not made any worse.
An executive decision was made by those in today to start back after Xmas and New Year on Wednesday 9th January 2019.

Hoping All have a Merry Christmas and a Happy And Prosperous New Year.


Current Value of our Fund

£212.07


Return to the Diary Menu


mainmenu

Page provided by John Bathgate

This page was last updated on
21st December 2018